歡迎訪問斯凱恩傳動科技(上海)有限公司網站 !
所屬欄目:NACHI軸承
聯系郵箱:[email protected]
聯系地址:上海市奉賢區金大公路8218號1幢
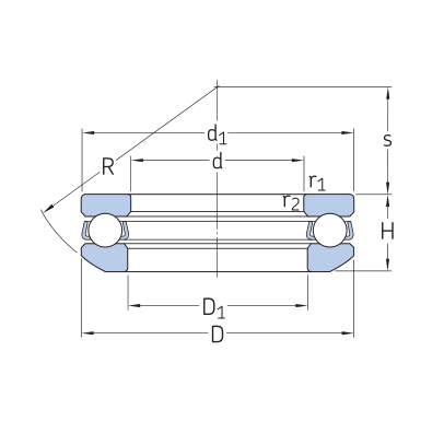
產品介紹:NACHI推力球軸承是分離型軸承,根據其結構形式分為單向推力球和雙向推力球軸承。單向推力球軸承可承受一個方向的軸向載荷,雙向推力球軸承可承受兩個方向的軸向載荷。它們均不能承受徑向載荷。推力球軸承還有帶座墊的結構,由于座墊的安裝面呈球面形,故軸承具有調心性能,可以減少安裝誤差的影響。推力球軸承主要應用...
咨詢電話:15900864567

NACHI推力球軸承是分離型軸承,根據其結構形式分為單向推力球和雙向推力球軸承。單向推力球軸承可承受一個方向的軸向載荷,雙向推力球軸承可承受兩個方向的軸向載荷。它們均不能承受徑向載荷。推力球軸承還有帶座墊的結構,由于座墊的安裝面呈球面形,故軸承具有調心性能,可以減少安裝誤差的影響。推力球軸承主要應用于汽車、機床等行業。
NACHI推力球軸承大致可分為兩種類型:
單向推力球軸承
雙向推力球軸承
單向推力球軸承:
包括一個軸圈、一個座圈和鋼球-保持架組件。軸承可分離,軸圈、座圈、鋼球-保持架組件可單獨安裝。可分三種型式:
帶平面座圈推力球軸承
帶調心座圈推力球軸承
帶調心座圈和調心座墊圈推力球軸承
單向推力球軸承主要用來承受單向軸向載荷,并能作單方向的軸向定位。
雙向推力球軸承:
包括一個軸圈、二個座圈、一個中軸圈和鋼球-保持架組件。軸承可分離,軸圈、座圈、鋼球-保持架組件可單獨安裝。可分三種型式:
帶平面座圈推力球軸承
帶調心座圈推力球軸承
帶調心座圈和調心座墊圈推力球軸承
雙向推力球軸承軸承可承受雙向軸向載荷,并作雙向軸向定位。