歡迎訪問斯凱恩傳動科技(上海)有限公司網站 !
所屬欄目:TIMKEN軸承
聯系郵箱:[email protected]
聯系地址:上海市奉賢區金大公路8218號1幢
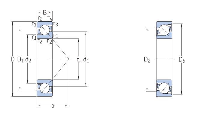
產品介紹:角接觸球軸承可同時承受徑向負荷和軸向負荷。能在較高的轉速下工作。接觸角越大,軸向承載能力越高。...
咨詢電話:15900864567

角接觸球軸承可同時承受徑向負荷和軸向負荷。能在較高的轉速下工作。接觸角越大,軸向承載能力越高。高精度和高速軸承通常取15 度接觸角。在軸向力作用下,接觸角會增大。
單列角接觸球軸承只能承受一個方向的軸向負荷,在承受徑向負荷時,將引起附加軸向力。 并且只能限制軸或外殼在一個方向的軸向位移。角接觸球軸承的接觸角為40度,因此可以承受很大的軸向負荷。角接觸球軸承是非分離型的設計,內外圈的兩側的肩部高低不一。為了提高軸承的負載能力,會把其中一側的肩部加工得較低,從而讓軸承可裝進更多的鋼球。
雙列角接觸球軸承能承受較大的徑向負荷為主的徑向和軸向聯合負荷和力矩負荷,限制軸的兩方面的軸向位移。主要用于限制軸和外殼雙向軸向位移的部件中雙列角接觸球軸承內、外圈之間的可傾斜性有限,允許傾斜角取決于軸承的內部間隙、軸承尺寸、內部設計及作用于軸承上的力和力矩,而允許傾斜角應保證軸承內不會產生過高的附加應力。若軸承內、外圈之間存在傾斜角,將影響軸承的壽命,同時造成軸承運轉精度下降,運轉噪聲增大。
雙列角接觸球軸承一般采用尼龍保持架或黃銅實體保持架。雙列角接觸球軸承安裝時應注意,雖然軸承可承受雙向軸向載荷,但若一側有裝球缺口時,則應注意不要讓主要軸向載荷通過有缺口的一側溝邊。在軸承使用時應注意使不帶裝球缺口的一側滾道承受主要載荷。