歡迎訪問斯凱恩傳動科技(上海)有限公司網站 !
所屬欄目:KOYO軸承
聯系郵箱:[email protected]
聯系地址:上海市奉賢區金大公路8218號1幢
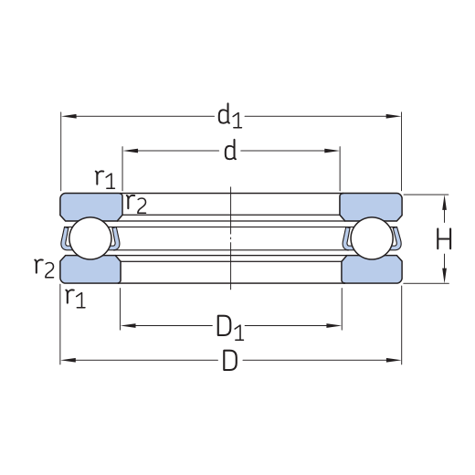
產品介紹:推力球軸承采用高速運轉時可承受推力載荷的設計,由帶有球滾動的滾道溝的墊圈狀套圈構成。由于套圈為座墊形,因此,推力球軸承被分為平底座墊型和調心球面座墊型兩種類型。另外,這種軸承可承受軸向載荷,但不能承受徑向載荷。...
咨詢電話:15900864567

推力球軸承采用高速運轉時可承受推力載荷的設計,由帶有球滾動的滾道溝的墊圈狀套圈構成。由于套圈為座墊形,因此,推力球軸承被分為平底座墊型和調心球面座墊型兩種類型。另外,這種軸承可承受軸向載荷,但不能承受徑向載荷。
按受力情況分單向推力球軸承和雙向推力球軸承。單向推力球軸承,可承受單向軸向負荷,雙向推力球軸承,可承受雙向軸向負荷,其中軸圈與軸配合。座圈的安裝面呈球面的軸承,具有調心性能,可以減少安裝誤差的影響。推力球軸承不能承受徑向負荷,極限轉速較低。
特點
1. 備有單向、雙向兩種類型
2. 為了容許有安裝誤差,無論是單向還是雙向,都可以選擇球面調心球面座墊型或帶球面座圈型。
3. 優質鋼 ― 采用可使軸承壽命延長80%的超清潔鋼
4. 高度的潤滑脂技術 ― 可使潤滑脂的壽命延長并提高軸承的性能
5. 高品位鋼球 ― 高速轉動時安靜且順暢
6. 利用選件中的套圈,可容許有安裝誤差。
推力球軸承只適用于承受一面軸向負荷、轉速較低的機件上,例如起重機吊鉤、立式水泵、立式離心機、千斤頂、低速減速器等。軸承的軸圈、座圈和滾動體是分離的,可以分別裝拆。